Condenser, Compressor & Lines for 1993 BMW 525iT
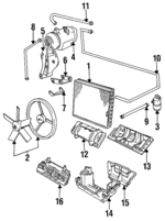
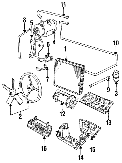
No.
Part # / Description / Price
Price
2
A/C Condenser Fan Assembly
BMW
BMW Notes: PARTS: Fan serviced in assembly only.
Description: Incl.Fan Blade & Motor. Convert new style,.
3
A/C Receiver Drier
BMW
BMW Description: From 2/89. 735, 740, 750. 525. M5, 528, 535. R134A Refrigerant.
MSRP $382.58
$317.54
MSRP $382.58
$317.54
9
AC Line
BMW
BMW Description: Condenser to drier. Condensor to drier. From condenser, to receiver.
MSRP $145.94
$121.13
MSRP $145.94
$121.13
14
15
1 This price excludes a refundable manufacturer's core charge. Add the part to your cart to see the core charge.
Related Parts
Part # / Description / Price
Price
A/C Compressor Clutch
BMW
BMW Description: Vendor:bosch/behr. From 9/87. Without 318i, 318is. Wing cell compressor. 735. 735iL. 525i. M5.
A/C Compressor Clutch
BMW
BMW Description: 750iL. Oscillating compressor. 12 cyl. 750. R-134a compressor. 850. R-134a compressor. 525. Oscillating compressor. 12 cyl. 850. Dual alternator. 525i. 850CSi. 850 series.
